|
直通T型过滤器是除去液体中少量固体颗粒的小型设备,可保护设备的正常工作,当流体进入置有一定规格滤网的滤筒后,其杂质被阻挡,而清洁的滤液则由过滤器出口排出,当需要清洗时,只要将可拆卸的滤筒取出,处理后重新装入即可,因此,使用维护极为方便。
| 壳体材质 |
碳钢 |
不锈钢 |
| 滤芯材质 |
不锈钢 |
工作温度(℃)
|
-30~380 |
-80~450 |
| 连接形式 |
法兰连接、对焊连接、螺纹连接 |
| 公称压力(MPa) |
0.6~5.0(150Lb~600Lb) |
| 过滤精度(目/in) |
10~300 |

图一 图二 图三
图表一
|
T型直角法兰连接过滤器 |
|
(ST-I)见表一、图一,DN80-400,PN≤5.0 |
|
公称通径 DN |
结构尺寸 |
管塞 |
|
L |
L |
|
80 |
300 |
150 |
R1/2〃 |
|
100 |
360 |
160 |
R1/2〃 |
|
150 |
440 |
200 |
R3/4〃 |
|
200 |
540 |
230 |
R3/4〃 |
|
250 |
600 |
270 |
M20×1.5 |
|
300 |
680 |
300 |
M20×1.5 |
|
350 |
750 |
340 |
M20×1.5 |
|
400 |
850 |
380 |
M20×1.5 |
图表二
|
T型对焊连接式过滤器 |
|
(ST-Ⅱ)见表二、图二,DN50-400,PN≤10.0 |
|
公称通径 DN |
Do |
L |
H |
管塞 |
|
50 |
57 |
128 |
175 |
R1/2〃 |
|
65 |
76 |
152 |
195 |
R1/2〃 |
|
80 |
89 |
172 |
210 |
R1/2〃 |
|
100 |
108 |
210 |
230 |
R1/2〃 |
|
125 |
133 |
248 |
310 |
R3/4〃 |
|
150 |
159 |
286 |
335 |
R3/4〃 |
|
200 |
219 |
356 |
400 |
R3/4〃 |
|
250 |
273 |
432 |
450 |
M20×1.5 |
|
300 |
325 |
508 |
535 |
M20×1.5 |
|
350 |
377 |
558 |
580 |
M20×1.5 |
|
400 |
426 |
610 |
640 |
M20×1.5 |
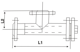
图表三
|
T型直通法兰连接式过滤器 |
|
(ST-Ⅲ)见表三、图三,DN50-600,PN≤5.0 |
|
公称通径 DN |
L1 |
L2 |
管塞 |
|
50 |
149 |
256 |
R1/2〃 |
|
65 |
170 |
292 |
R1/2〃 |
|
80 |
182 |
312 |
R3/8〃 |
|
100 |
210 |
362 |
R3/8〃 |
|
125 |
235 |
420 |
R3/8〃 |
|
150 |
260 |
464 |
R3/8〃 |
|
200 |
320 |
560 |
R3/4〃 |
|
250 |
380 |
670 |
M20×1.5 |
|
300 |
430 |
780 |
M20×1.5 |
|
350 |
450 |
30 |
M20×1.5 |
|
400 |
530 |
910 |
M20×1.5 |
订货需知:1 :定货时请注明产品尺寸,操作压力,滤芯材质,过滤介质及过滤精度. 2 :当需要其他标准法兰,材质及操作压力时请在定货时注明 |