 |
产品分类 |
 |
|
|
|
 |
|
首页 - 产品展厅 - 产品介绍 |
|
 |
 |
|
顶装式球阀设计规范 |
|
设计标准:API 6A、API 6D、ANSI B16.34、BS 5351 结构长度:ANSI B16.10 连接标准:ANSI B16.5 主体材质:碳钢、不锈钢、合金钢 压力试验:API 598
压力范围:Class600-1500 口 径 : 2″-12″ |
| 顶装式球阀产品特点 |
-
整体式阀体设计,上装式枢轴固定支持,法兰结构
-
整体式枢轴固定球杆设计
-
双阻塞泄放功能
-
高强度整体式球杆结构,确保了球体的精确定位
-
枢轴采用防吹出保护结构
-
2组O型密封圈,加上阀杆上的防火填料结构,有效地防止泄露
-
防腐蚀,低摩擦系数的轴承
-
因可镍波纹弹簧使尼龙密封的金属阀座向球移动,具有进口和出口双向密封功能
-
性能优越的标准尼龙和PEEK阀座,确保了低压状态下的有效密封
-
密封剂住入器设计,在紧急状态下可住入密封胶,对阀杆或阀座进行密封
-
采用独特的阀座可缩回技术,在线可更换球杆,阀杆密封圈金属阀座及波纹弹簧
-
扭矩减少到最小,便于阀门操作
-
球杆与阀体有效接触的,性能优越的防静电接地设备
-
预置驱动装置平台及螺孔,随时可装配驱动装置
-
防火功能:当阀座烧坏或损坏时,金属阀座自动贴紧球体,阀座和球体之间较小的泄漏 |

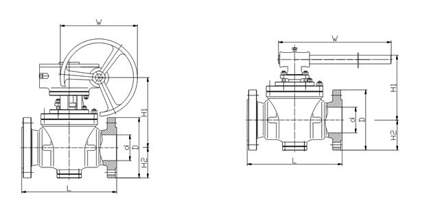
主要外型及连接尺寸表Main Types and Connecting Dimension
Class 150
|
Size |
G |
L |
H1 |
H2 |
W |
Weight |
|
in |
mm |
mm |
mm |
mm |
mm |
kg |
|
2 |
51 |
292 |
170 |
76 |
285 |
46 |
|
3 |
76 |
356 |
21 |
95 |
285 |
83 |
|
4 |
102 |
432 |
250 |
115 |
400 |
156 |
|
6 |
152 |
559 |
265 |
140 |
*400 |
256 |
|
8 |
203 |
660 |
355 |
172 |
*400 |
453 |
|
10 |
254 |
787 |
385 |
203 |
*600 |
622 |
|
12 |
305 |
838 |
400 |
242 |
*600 |
747 |
|
14 |
337 |
889 |
450 |
267 |
*600 |
959 |
|
16 |
387 |
991 |
510 |
299 |
*600 |
1220 |
|
18 |
438 |
1092 |
565 |
318 |
*600 |
1640 |
|
20 |
489 |
1194 |
620 |
349 |
*600 |
2118 |
|
24 |
591 |
1397 |
680 |
407 |
*700 |
2950 |
Class 300
|
Size |
G |
L |
H1 |
H2 |
W |
Weight |
|
mm |
mm |
mm |
mm |
mm |
mm |
kg |
|
2 |
51 |
292 |
170 |
83 |
285 |
49 |
|
3 |
76 |
356 |
21 |
105 |
285 |
87 |
|
4 |
102 |
432 |
250 |
127 |
400 |
164 |
|
6 |
152 |
559 |
265 |
159 |
*400 |
272 |
|
8 |
203 |
660 |
355 |
191 |
*500 |
479 |
|
10 |
254 |
787 |
385 |
777 |
*600 |
657 |
|
12 |
305 |
838 |
400 |
261 |
*600 |
783 |
|
14 |
337 |
889 |
450 |
292 |
*600 |
1007 |
|
16 |
387 |
991 |
510 |
324 |
*600 |
1281 |
|
18 |
438 |
1092 |
565 |
256 |
*700 |
1722 |
|
20 |
489 |
1194 |
620 |
388 |
*700 |
9994 |
|
24 |
591 |
1397 |
680 |
457 |
*760 |
3100 | |
|
|
|