  | 
产品分类 | 
  | 
 
| 
 | 
 
 
 | 
  | 
   | 
 首页 - 产品展厅 - 产品介绍 | 
  | 
  | 
 
   | 
 
| 
    
主要用途
    升降式止回阀选用于公称压力PN1.6~6.4MPa,工作温度-29~550℃的石油、化工、火力电站等各种工况的管路上。适用介质为:水、油品、蒸汽等。
  结构与特点
  1、选材考究,符合国内、外相关标准,材料的全面质量高。 2、密封副配对先进合理,阀瓣、阀座密封面采用铁基合金或司太立(Stellite)钴基硬质合金堆焊面成,耐磨、耐高温、耐腐蚀、抗擦伤性能好,使用寿命长。 3、产品按国家标准GB/T12235设计制造。 4、可采用各种配管法兰标准及法兰密封型式,满足各种工程需要及用户要求。 5、阀体材料品种齐全,垫片可根据实际工况或用户要求合理选配,能适用于各种压力、温度及介质工况。 可按用户要求设计制造不同结构形式和连接形式的止回阀,为各种设备配套使用。 应用规范 
 
| 
 设计与制造  | 
 GB/T12235  |  
| 
 连接端尺寸  | 
 结构长度  | 
 GB/T12221  |  
| 
 法兰尺寸  | 
 JB/T79  |  
| 
 检验与试验  | 
 JB/T9092  |  
| 
 材料  | 
 碳钢  | 
 GB/T12229  |  
| 
 不锈钢  | 
 GB/T12230  |  
| 
 合金钢  | 
 Q/ZB66  |  
| 
 标志  | 
 GB/T12220  |  
| 
 供货  | 
 JB/T7928  |   
 主要零件材料及主要用途 
 
| 
 阀体  | 
 阀盖  | 
 阀瓣  | 
 阀座  | 
 适用介质  | 
 适用温度 (≤℃)  |  
| 
 WCB  | 
 WCB+D507Mo  | 
 WCB+D577  | 
 水、油品、蒸汽  | 
 425  |  
| 
 ZG1Cr18Ni9Ti  | 
 0Cr18Ni9+ Stellite12  | 
 0Cr18Ni9+ Stellite6  | 
 销酸类  | 
 200  |  
| 
 ZG1Cr18Ni2Mo2Ti  | 
 CF8M+Stellite12  | 
 ZG1Cr18Ni2Mo2Ti  | 
 磷酸、醋酸类、混酸  | 
 200  |  
| 
 ZG00Cr17Ni14Mo2  | 
 CF3M+Stellite12  | 
 CF3M+Stellite6  | 
 尿素、甲铵液、磷酸  | 
 200  |  
| 
 ZG1Cr5Mo  | 
 ZG1Cr5Mo+ Stellite12  | 
 ZG1Cr5Mo+ Stellite6  | 
 水、油品、蒸汽  | 
 550  |   
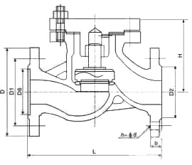
 主要外形尺寸和连接尺寸(mm) 
 
| 
 DN  | 
 L  | 
 D  | 
 Dl  | 
 D2  | 
 b  | 
 Z一φd  | 
 H  | 
 WT(Kg)  |  
| 
 H41H一16C H41Y一16C H41Y一16P H41Y一16R H41Y一161  |  
| 
 15  | 
 130  | 
 95  | 
 65  | 
 45  | 
 14  | 
 4一φ14  | 
 77  | 
 3  |  
| 
 20  | 
 150  | 
 105  | 
 75  | 
 55  | 
 14  | 
 4一φ14  | 
 77  | 
 4  |  
| 
 25  | 
 160  | 
 115  | 
 85  | 
 65  | 
 14  | 
 4一φ14  | 
 80  | 
 5  |  
| 
 32  | 
 180  | 
 135  | 
 100  | 
 78  | 
 16  | 
 4一φ18  | 
 85  | 
 7  |  
| 
 40  | 
 200  | 
 145  | 
 110  | 
 85  | 
 16  | 
 4一φ18  | 
 95  | 
 9  |  
| 
 50  | 
 230  | 
 160  | 
 125  | 
 100  | 
 16  | 
 4一φ18  | 
 105  | 
 10  |  
| 
 65  | 
 290  | 
 180  | 
 145  | 
 120  | 
 18  | 
 4一φ18  | 
 120  | 
 20  |  
| 
 80  | 
 310  | 
 195  | 
 160  | 
 135  | 
 20  | 
 8一φ18  | 
 130  | 
 30  |  
| 
 100  | 
 350  | 
 215  | 
 180  | 
 155  | 
 20  | 
 8一φ18  | 
 140  | 
 39  |  
| 
 125  | 
 400  | 
 245  | 
 210  | 
 185  | 
 22  | 
 8一φ18  | 
 155  | 
 50  |  
| 
 150  | 
 480  | 
 280  | 
 240  | 
 210  | 
 24  | 
 8一φ23  | 
 180  | 
 70  |  
| 
 200  | 
 600  | 
 335  | 
 295  | 
 265  | 
 26  | 
 12一φ23  | 
 211  | 
 231  |  
| 
 250,   | 
 730  | 
 405  | 
 355  | 
 320  | 
 30  | 
 12一φ25  | 
 260  | 
 25l  |  
| 
 300  | 
 850  | 
 460  | 
 410  | 
 375  | 
 34  | 
 12一φ25  | 
 323  | 
 395  |  
| 
 H41H一25 H41Y一25 H41Y一25P H41Y一25R H41Y一251  |  
| 
 15  | 
 130  | 
 95  | 
 65  | 
 45  | 
 16  | 
 4一φ14  | 
 100  | 
 3.4  |  
| 
 20  | 
 150  | 
 105  | 
 75  | 
 55  | 
 16  | 
 4一φ14  | 
 105  | 
 5  |  
| 
 25  | 
 160  | 
 115  | 
 85  | 
 65  | 
 16  | 
 4一φ14  | 
 120  | 
 5.7  |  
| 
 32  | 
 180  | 
 135  | 
 100  | 
 78  | 
 18  | 
 4一φ18  | 
 130  | 
 9.1  |  
| 
 40  | 
 200  | 
 145  | 
 110  | 
 85  | 
 18  | 
 4一φ18  | 
 135  | 
 11.8  |  
| 
 50  | 
 230  | 
 160  | 
 125  | 
 100  | 
 20  | 
 4一φ18  | 
 149  | 
 14.4  |  
| 
 65  | 
 290  | 
 180  | 
 145  | 
 120  | 
 22  | 
 8一φ18  | 
 160  | 
 23  |  
| 
 80  | 
 310  | 
 195  | 
 160  | 
 135  | 
 22  | 
 8一φ18  | 
 169  | 
 30  |  
| 
 100  | 
 350  | 
 230  | 
 190  | 
 160  | 
 24  | 
 8一φ23  | 
 194  | 
 44  |  
| 
 125  | 
 400  | 
 270  | 
 220  | 
 180  | 
 28  | 
 8一φ25  | 
 222  | 
 65  |  
| 
 150  | 
 480  | 
 300  | 
 250  | 
 218  | 
 30  | 
 8一φ25  | 
 255  | 
 99  |  
| 
 200  | 
 600  | 
 360  | 
 310  | 
 278  | 
 34  | 
 12一φ25  | 
 305  | 
 190  |  
| 
 250  | 
 730  | 
 425  | 
 370  | 
 332  | 
 36  | 
 12一φ30  | 
 355  | 
 323  |  
| 
 300  | 
 850  | 
 485  | 
 430  | 
 390  | 
 40  | 
 16一φ30  | 
 410  | 
 450  |   
  
 
| 
 通径DN  | 
 L  | 
 D  | 
 D1  | 
 D2  | 
 D6  | 
 b  | 
 Z一φd  | 
 H  | 
 WT(Kg)  |  
| 
 H41H一40 H41Y一40 H41Y一40P H4lY一40R H41Y一401  |  
| 
 15  | 
 130  | 
 95  | 
 65  | 
 45  | 
 40  | 
 16  | 
 4一φ14  | 
 100  | 
 4  |  
| 
 20  | 
 150  | 
 105  | 
 75  | 
 55  | 
 51  | 
 16  | 
 4一φ14  | 
 105  | 
 5.5  |  
| 
 25  | 
 160  | 
 115  | 
 85  | 
 65  | 
 58  | 
 16  | 
 4一φ14  | 
 120  | 
 6  |  
| 
 32  | 
 180  | 
 135  | 
 100  | 
 78  | 
 66  | 
 18  | 
 4一φ18  | 
 130  | 
 12  |  
| 
 40  | 
 200  | 
 145  | 
 110  | 
 85  | 
 76  | 
 18  | 
 4一φ18  | 
 135  | 
 14  |  
| 
 50  | 
 230  | 
 160  | 
 125  | 
 100  | 
 88  | 
 20  | 
 4一φ18  | 
 149  | 
 18  |  
| 
 65  | 
 290  | 
 180  | 
 145  | 
 120  | 
 110  | 
 22  | 
 8一φ18  | 
 160  | 
 27  |  
| 
 80  | 
 310  | 
 195  | 
 160  | 
 135  | 
 121  | 
 22  | 
 8一φ18  | 
 169  | 
 36  |  
| 
 100  | 
 350  | 
 230  | 
 190  | 
 160  | 
 150  | 
 24  | 
 8一φ23  | 
 194  | 
 50  |  
| 
 125  | 
 400  | 
 270  | 
 220  | 
 188  | 
 176  | 
 28  | 
 8一φ25  | 
 225  | 
 75  |  
| 
 120  | 
 480  | 
 300  | 
 250  | 
 218  | 
 204  | 
 30  | 
 8一φ25  | 
 255  | 
 119  |  
| 
 200  | 
 600  | 
 375  | 
 320  | 
 282  | 
 260  | 
 38  | 
 12一φ30  | 
 305  | 
 217  |  
| 
 250  | 
 730  | 
 445  | 
 385  | 
 345  | 
 313  | 
 42  | 
 12一φ34  | 
 360  | 
 365  |  
| 
 300  | 
 850  | 
 510  | 
 450  | 
 408  | 
 364  | 
 46  | 
 12一φ34  | 
 415  | 
 310  |  
| 
    |  
| 
 通径DN  | 
 L  | 
 D  | 
 D1  | 
 D2  | 
 D6  | 
 b  | 
 Z一φd  | 
 H<, /o:p>  | 
 WT(Kg)  |  
| 
 H41H一64 H4lY一64 H41Y一64P H41Y一64R H41Y一641  |  
| 
 15  | 
 210  | 
 105  | 
 75  | 
 55  | 
 40  | 
 18  | 
 4一φ14  | 
 100  | 
 7  |  
| 
 20  | 
 230  | 
 125  | 
 90  | 
 68  | 
 51  | 
 20  | 
 4一φ18  | 
 110  | 
 ll  |  
| 
 25  | 
 230  | 
 135  | 
 100  | 
 78  | 
 58  | 
 22  | 
 4一φ18  | 
 125  | 
 13  |  
| 
 32  | 
 260  | 
 150  | 
 110  | 
 82  | 
 66  | 
 24  | 
 4一φ23  | 
 140  | 
 14  |  
| 
 40  | 
 260  | 
 165  | 
 125  | 
 95  | 
 76  | 
 24  | 
 4一φ23  | 
 168  | 
 20  |  
| 
 50  | 
 300  | 
 175  | 
 135  | 
 105  | 
 88  | 
 26  | 
 4一φ23  | 
 170  | 
 23  |  
| 
 65  | 
 340  | 
 200  | 
 160  | 
 130  | 
 110  | 
 28  | 
 8一φ23  | 
 188  | 
 37  |  
| 
 80  | 
 380  | 
 210  | 
 170  | 
 140  | 
 121  | 
 30  | 
 8一φ23  | 
 205  | 
 46  |  
| 
 100  | 
 430  | 
 250  | 
 200  | 
 168  | 
 150  | 
 32  | 
 8一φ25  | 
 230  | 
 68  |  
| 
 125  | 
 500  | 
 295  | 
 240  | 
 202  | 
 176  | 
 36  | 
 8一φ30  | 
 230  | 
 89  |  
| 
 150  | 
 550  | 
 340  | 
 280  | 
 240  | 
 204  | 
 38  | 
 8一φ34  | 
 265  | 
 131  |  
| 
 200  | 
 650  | 
 405  | 
 345  | 
 300  | 
 260  | 
 44  | 
 12一φ34  | 
 310  | 
 235  |   P: 0cm; HEIGHT: 13.5pt" noWrap width="100%"> 
85  | 
 65  | 
 14  | 
 4一φ14  | 
 80  | 
 5  |  | 
 32  | 
 180  | 
 135  | 
 100  | 
 78  | 
 16  | 
 4一φ18  | 
 85  | 
 7  |  | 
 40  | 
 200  | 
 145  | 
 110  | 
 85  | 
 16  | 
 4一φ18  | 
 95  | 
 9  |  | 
 50  | 
 230  | 
 160  | 
 125  | 
 100  | 
 16  | 
 4一φ18  | 
 105  | 
 10  |  | 
 65  | 
 290  | 
 180  | 
 145  | 
 120  | 
 18  | 
 4一φ18  | 
 120  | 
 20  |  | 
 80  | 
 310  | 
 195  | 
 160  | 
 135  | 
 20  | 
 8一φ18  | 
 130  | 
 30  |  | 
 100  | 
 350  | 
 215  | 
 180  | 
 155  | 
 20  | 
 8一φ18  | 
 140  | 
 39  |  | 
 125  | 
 400  | 
 245  | 
 210  | 
 185  | 
 22  | 
 8一φ18  | 
 155  | 
 50  |  | 
 150  | 
 480  | 
 280  | 
 240  | 
 210  | 
 24  | 
 8一φ23  | 
 180  | 
 70  |  | 
 200  | 
 600  | 
 335  | 
 295  | 
 265  | 
 26  | 
 12一φ23  | 
 211  | 
 231  |  | 
 250,   | 
 730  | 
 405  | 
 355  | 
 320  | 
 30  | 
 12一φ25  | 
 260  | 
 25l  |  | 
 300  | 
 850  | 
 460  | 
 410  | 
 375  | 
 34  | 
 12一φ25  | 
 323  | 
 395  |  | 
 H41H一25 H41Y一25 H41Y一25P H41Y一25R H41Y一251  |  | 
 15  | 
 130  | 
 95  | 
 65  | 
 45  | 
 16  | 
 4一φ14  | 
 100  | 
 3.4  |  | 
 20  | 
 150  | 
 105  | 
 75  | 
 55  | 
 16  | 
 4一φ14  | 
 105  | 
 5  |  | 
 25  | 
 160  | 
 115  | 
 85  | 
 65  | 
 16  | 
 4一φ14  | 
 120  | 
 5.7  |  | 
 32  | 
 180  | 
 135  | 
 100  | 
 78  | 
 18  | 
 4一φ18  | 
 130  | 
 9.1  |  | 
 40  | 
 200  | 
 145  | 
 110  | 
 85  | 
 18  | 
 4一φ18  | 
 135  | 
 11.8  |  | 
 50  | 
 230  | 
 160  | 
 125  | 
 100  | 
 20  | 
 4一φ18  | 
 149  | 
 14.4  |  | 
 65  | 
 290  | 
 180  | 
 145  | 
 120  | 
 22  | 
 8一φ18  | 
 160  | 
 23  |  | 
 80  | 
 310  | 
 195  | 
 160  | 
 135  | 
 22  | 
 8一φ18  | 
 169  | 
 30  |  | 
 100  | 
 350  | 
 230  | 
 190  | 
 160  | 
 24  | 
 8一φ23  | 
 194  | 
 44  |  | 
 125  | 
 400  | 
 270  | 
 220  | 
 180  | 
 28  | 
 8一φ25  | 
 222  | 
 65  |  | 
 150  | 
 480  | 
 300  | 
 250  | 
 218  | 
 30  | 
 8一φ25  | 
 255  | 
 99  |  | 
 200  | 
 600  | 
 360  | 
 310  | 
 278  | 
 34  | 
 12一φ25  | 
 305  | 
 190  |  | 
 250  | 
 730  | 
 425  | 
 370  | 
 332  | 
 36  | 
 12一φ30  | 
 355  | 
 323  |  | 
 300  | 
 850  | 
 485  | 
 430  | 
 390  | 
 40  | 
 16一φ30  | 
 410  | 
 450  |   
  
 
| 
 通径DN  | 
 L  | 
 D  | 
 D1  | 
 D2  | 
 D6  | 
 b  | 
 Z一φd  | 
 H  | 
 WT(Kg)  |  
| 
 H41H一40 H41Y一40 H41Y一40P H4lY一40R H41Y一401  |  
| 
 15  | 
 130  | 
 95  | 
 65  | 
 45  | 
 40  | 
 16  | 
 4一φ14  | 
 100  | 
 4  |  
| 
 20  | 
 150  | 
 105  | 
 75  | 
 55  | 
 51  | 
 16  | 
 4一φ14  | 
 105  | 
 5.5  |  
| 
 25  | 
 160  | 
 115  | 
 85  | 
 65  | 
 58  | 
 16  | 
 4一φ14  | 
 120  | 
 6  |  
| 
 32  | 
 180  | 
 135  | 
 100  | 
 78  | 
 66  | 
 18  | 
 4一φ18  | 
 130  | 
 12  |  
| 
 40  | 
 200  | 
 145  | 
 110  | 
 85  | 
 76  | 
 18  | 
 4一φ18  | 
 135  | 
 14  |  
| 
 50  | 
 230  | 
 160  | 
 125  | 
 100  | 
 88  | 
 20  | 
 4一φ18  | 
 149  | 
 18  |  
| 
 65  | 
 290  | 
 180  | 
 145  | 
 120  | 
 110  | 
 22  | 
 8一φ18  | 
 160  | 
 27  |  
| 
 80  | 
 310  | 
 195  | 
 160  | 
 135  | 
 121  | 
 22  | 
 8一φ18  | 
 169  | 
 36  |  
| 
 100  | 
 350  | 
 230  | 
 190  | 
 160  | 
 150  | 
 24  | 
 8一φ23  | 
 194  | 
 50  |  
| 
 125  | 
 400  | 
 270  | 
 220  | 
 188  | 
 176  | 
 28  | 
 8一φ25  | 
 225  | 
 75  |  
| 
 120  | 
 480  | 
 300  | 
 250  | 
 218  | 
 204  | 
 30  | 
 8一φ25  | 
 255  | 
 119  |  
| 
 200  | 
 600  | 
 375  | 
 320  | 
 282  | 
 260  | 
 38  | 
 12一φ30  | 
 305  | 
 217  |  
| 
 250  | 
 730  | 
 445  | 
 385  | 
 345  | 
 313  | 
 42  | 
 12一φ34  | 
 360  | 
 365  |  
| 
 300  | 
 850  | 
 510  | 
 450  | 
 408  | 
 364  | 
 46  | 
 12一φ34  | 
 415  | 
 310  |  
| 
    |  
| 
 通径DN  | 
 L  | 
 D  | 
 D1  | 
 D2  | 
 D6  | 
 b  | 
 Z一φd  | 
 H<, /o:p>  | 
 WT(Kg)  |  
| 
 H41H一64 H4lY一64 H41Y一64P H41Y一64R H41Y一641  |  
| 
 15  | 
 210  | 
 105  | 
 75  | 
 55  | 
 40  | 
 18  | 
 4一φ14  | 
 100  | 
 7  |  
| 
 20  | 
 230  | 
 125  | 
 90  | 
 68  | 
 51  | 
 20  | 
 4一φ18  | 
 110  | 
 ll  |  
| 
 25  | 
 230  | 
 135  | 
 100  | 
 78  | 
 58  | 
 22  | 
 4一φ18  | 
 125  | 
 13  |  
| 
 32  | 
 260  | 
 150  | 
 110  | 
 82  | 
 66  | 
 24  | 
 4一φ23  | 
 140  | 
 14  |  
| 
 40  | 
 260  | 
 165  | 
 125  | 
 95  | 
 76  | 
 24  | 
 4一φ23  | 
 168  | 
 20  |  
| 
 50  | 
 300  | 
 175  | 
 135  | 
 105  | 
 88  | 
 26  | 
 4一φ23  | 
 170  | 
 23  |  
| 
 65  | 
 340  | 
 200  | 
 160  | 
 130  | 
 110  | 
 28  | 
 8一φ23  | 
 188  | 
 37  |  
| 
 80  | 
 380  | 
 210  | 
 170  | 
 140  | 
 121  | 
 30  | 
 8一φ23  | 
 205  | 
 46  |  
| 
 100  | 
 430  | 
 250  | 
 200  | 
 168  | 
 150  | 
 32  | 
 8一φ25  | 
 230  | 
 68  |  
| 
 125  | 
 500  | 
 295  | 
 240  | 
 202  | 
 176  | 
 36  | 
 8一φ30  | 
 230  | 
 89  |  
| 
 150  | 
 550  | 
 340  | 
 280  | 
 240  | 
 204  | 
 38  | 
 8一φ34  | 
 265  | 
 131  |  
| 
 200  | 
 650  | 
 405  | 
 345  | 
 300  | 
 260  | 
 44  | 
 12一φ34  | 
 310  | 
 235  |    | 
 
 
 | 
 
  |