Tel:021-54082321 Fax:021-54106143
 进口阀门闸阀球阀截止阀调节阀蝶阀止回阀减压阀疏水阀旋塞阀柱塞阀呼吸阀平衡阀针型阀阻火器排气阀排泥阀放料阀底阀水力控制阀门隔膜阀过滤器管夹阀安全阀电磁阀 |刀型闸阀 |
产品分类
 
 
 业务联系
 人才招聘
 客服电话
 在线联系
   首页 - 产品展厅 - 产品介绍  
  产品名称: 铸铁升降式止回阀
  产品型号: H41T-16
  询问铸铁升降式止回阀价格
 
  咨询电话:021-54082321 黄先生13045666422
 相关产品
 排渣止回阀
 旋启式法兰止回阀
 直通升降止回阀
 铸铁升降式止回阀
 

该止回阀属升降式止回阀,升降式止回阀阀瓣利用流体压差和自身的重量实现升降,升降式止回阀适用于大部分的罐内水平管路上,自动阻止介质逆流,保护上游设备。铸铁升降式止回阀应用于工作温度≤200℃的水、蒸汽介质的管路上,作防止介质逆流的单向启闭用。


 

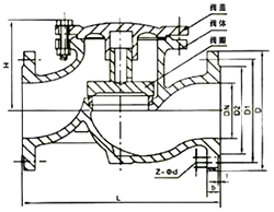
尺寸图

一、性能规范

型号

公称
压力

试验压力

工作
温度

通用
介质

强度(水)

密封(水)

H41T-16

1.6

2.4

1.8

≤200

蒸汽、水


二、主要零件材料

零件名称

材料

阀体

灰铸铁

阀盖

灰铸铁

阀瓣

铸铁铁加黄铜

三、外形尺寸和连接尺寸

型号

公称通径DN(mm)

尺寸(mm)

重量(kg)

L

D

D1

D2

b-f

Z-Φd

H

S

H41t-16

25

160

115

85

65

16-2

4-14

65

32

3

32

180

135

100

78

18-2

4-18

84

36

4.5

40

200

145

110

85

18-3

4-18

96

42

7

50

230

160

125

100

20-3

4-18

115

42

9.5

65

290

180

145

120

20-3

4-18

145

50

13.5

H41t-16

80

310

195

160

135

22-2

8-18

156

 

24.5

100

350

215

180

155

24-3

8-18

170

 

32.5

125

400

245

210

185

26-3

8-18

201

 

50

150

480

280

240

210

28-3

8-23

238

 

70

200

600

335

295

265

30-3

12-23

245

 

 

友情连接: 正封阀门
瑞克阀门
地址:上海闵行区莘松路958弄大浪湾道21号703 邮编:200232 电话:021-54082321 传真:021-54106143
Copyright 上海沪申阀门有限公司 all Rights Reserved.