Tel:021-54082321 Fax:021-54106143
 进口阀门闸阀球阀截止阀调节阀蝶阀止回阀减压阀疏水阀旋塞阀柱塞阀呼吸阀平衡阀针型阀阻火器排气阀排泥阀放料阀底阀水力控制阀门隔膜阀过滤器管夹阀安全阀电磁阀 |刀型闸阀 |
产品分类
 
 
 业务联系
 人才招聘
 客服电话
 在线联系
   首页 - 产品展厅 - 产品介绍  
  产品名称: 对夹式橡胶密封蝶阀
  产品型号: D71X、D371X
  询问对夹式橡胶密封蝶阀价格
 
  咨询电话:021-54082321 黄先生13045666422
 相关产品
 对夹式单偏心软密封蝶阀
 蜗轮对夹式单偏心蝶阀
 对夹式橡胶密封蝶阀
 
对夹式橡胶密封蝶阀概述  

   中线软密封蝶阀是管线优先选用的常规蝶阀,具有结构简洁,流阻系数小,流量特性趋于直线,不会滞留杂物。对夹式软密封蝶阀且重量轻,安装方便,驱动扭矩较小的优点。对夹式软密封既可作切断介质用,又可作调节介质的流量用。驱动装置根据用户要求,分别可采用手动、电动、气动等方式。选用不同材料的零件,配用不同材料的密封圈,对夹式软密封适应不同的介质、工况,使成本与性能达到最佳效果。
  对夹式软密封适用于温度≤120℃或≤150℃,公称压力≤1.6MPa给排水、污水、食品、供暖、燃气、船舶、水电、冶金、能源系统以及轻纺等行业,对夹式软密封特别适用于双向密封和阀体易锈蚀场合,作调节流量和截流介质。

其主要特点为:
  1、小巧轻便,容易拆装及维修,并可在任意位置安装。
  2、结构简单、紧凑,操作扭矩小,90°回转开启迅速。
  3、流量特性趋直线,调节性能好。
  4、蝶板与阀杆的连接采用无销钉结构,克服了有可能的内泄漏点。
  5、蝶板外圆采用球面造型,提高了密封性能及延长了阀门的使用寿命,带压启闭5万次以上仍保持零泄漏。
  6、密封件可更换,且密封可靠达到双向密封。 
  7、蝶板可根据用户要求喷涂覆层,如尼龙或聚四氟类。
  8、该阀可设计成法兰连接和对夹连接。
  9、驱动方式可选择手动、电动或气动。

          
 中线型软密封蝶阀密封结构  
     本公司在生产软密封蝶阀的过程中,不断吸取国内外先进技术和结构特点,为满足广大用户不同工况的需求,本公司所生产软密封蝶阀均采用
    1、普通中线型蝶阀,
    2、复合阀座中线型蝶阀,
    3、包覆蝶板的中线型蝶阀。其密封副结构如下:
             蝶板的回转中心(即阀杆的中心)位于阀体的中心线和蝶板的密封面截面上。
  阀座采用合成橡胶。关闭时蝶板的外圆密封面挤压合成橡胶阀座,使阀座产生弹性变形而形成弹性力作为密封比压保证蝶阀的密封。
       密封结构采用聚四氟乙烯、合成橡胶构成复合阀座、其特点在于阀的弹性仍由合成橡胶提供并利用聚四氟乙烯的摩擦系数低、不易磨损、不易老化等特性,从而使蝶阀的寿命得以提高。
  其密封原理和结构特点同普通中线型蝶阀相同。
                      密封结构采用聚四氟乙烯、合成橡胶和酚醛树脂构成复合阀座、使阀座在具有弹性的同时强度更好。同时将蝶板用聚四氟乙烯全包覆,使蝶板具有较强的抗腐蚀性能。
  其密封原理和结构特点同普通中线型蝶阀相同。

   
 密封圈材料  
 

密封圈材料

体材料:灰铸铁 ( HT200、HT250 )     球墨铸铁 ( QT400、QT450 )
               碳钢 (WCB、WCC、LCB)        铬钼钢 (WC5、WC6、WC9)     合金钢
               不锈钢 (CF3、CF8、CF3M、CF8M、ZG1Cr18Ni9Ti、ZG1Cr18Ni12Mo2Ti)     
内件材料:不锈钢 ( 2Cr13、1Cr18Ni9、1Cr18Ni9Ti、1Cr18Ni12Mo2Ti、304、316、304L、316L )
               碳钢    铬钼钢    特殊钢  
连接形式:法兰、对夹、
驱动方式:手动、蜗轮传动、电动、 气动.

 
 
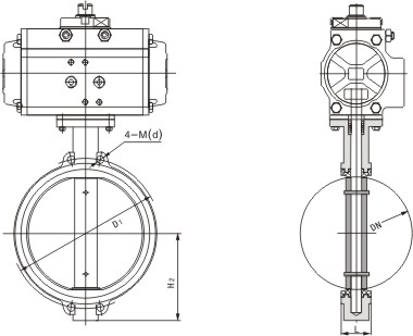
 主要外形和连接尺寸(对夹式)
                      
 
友情连接: 正封阀门
瑞克阀门
地址:上海闵行区莘松路958弄大浪湾道21号703 邮编:200232 电话:021-54082321 传真:021-54106143
Copyright 上海沪申阀门有限公司 all Rights Reserved.