Tel:021-54082321 Fax:021-54106143
网站首页
公司介绍
产品展示
新闻资讯
企业文化
客户留言
联系我们
进口阀门
|
闸阀
|
球阀
|
截止阀
|
调节阀
|
蝶阀
|
止回阀
|
减压阀
|
疏水阀
|
旋塞阀
|
柱塞阀
|
呼吸阀
|
平衡阀
|
针型阀
|
阻火器
|
排气阀
|
排泥阀
|
放料阀
|
底阀
|
水力控制阀门
|
隔膜阀
|
过滤器
|
管夹阀
|
安全阀
|
电磁阀
|
刀型闸阀
|
产品分类
进口阀门
闸阀
球阀
截止阀
调节阀
蝶阀
止回阀
减压阀
疏水阀
旋塞阀
柱塞阀
呼吸阀
平衡阀
针型阀
阻火器
排气阀
排泥阀
放料阀
底阀
水力控制阀门
隔膜阀
过滤器
管夹阀
安全阀
电磁阀
刀型闸阀
业务联系
人才招聘
客服电话
在线联系
首页 -
产品展厅
-
产品介绍
产品名称:
气动保温球阀
产品型号:
BQ641F
咨询电话:021-54082321 黄先生13045666422
相关产品
气动V型调节球阀
气动对夹薄型球阀
气动保温球阀
气动法兰球阀
气动保温球阀
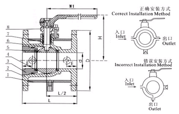
概述:
气动保温球阀
具有良好的保温保冷特性,且球阀的通径与管径一致,同时又能有效降低管路中介质热量损失。
气动保温球阀
主要用于石油、化工、冶金、制药、食品等各类系统中,以输送常温下会凝固的高粘度介质。
气动保温球阀
由于采用整体式结构,因而保温球阀比一般球阀何种更小,重量更轻,且无外漏,密封性能良好,夹套采用碳素钢管焊接比铸造的更加耐压牢固。
技术规范:
设计标准
ASME B 16.34 GB/T12224
结构长度
ASME B 16.10 GB/T12221
连接法兰
ASME B 16.5、JB/T 79
驱动方式
手动、电动、气动
试验和检验
JB/T9092 API 598
适用介质
重油、胶类等易凝固介质
主要零件材料:
序号
零件名称
材质
C
P
R
1
夹套
25
SUS304
SUS304
2
阀座
WCB
SUS304
SUS316
3
阀体
25
SUS304
SUS316
4
密封圈
RPTFE、PTFE、对位聚苯
5
球体
SUS304
SUS304
SUS316
6
阀杆
1Cr13
SUS304
SUS316
7
填料
柔性石墨 、RPTFE、PTFE
8
填料压盖
WCB
SUS304
SUS316
主要外形尺寸:
公称通径(DN)
d
L
D
E
Q
H
W
管螺纹
(mm)
(in)
(mm)
(in)
P
20
3/4"
19
117
40
1 1/2"
58.5
147
101
170
G3/4"
25
1"
25
127
50
2"
62.5
156
106
170
G3/4"
40
1 1/2"
38
165
65
2 1/2"
63.5
181
125
250
G3/4"
50
2"
51
178
80
3"
68
218
135
250
G3/4"
80
3"
76
229
150
6"
82
275
193
350
G3/4"
100
4"
102
254
200
8"
83
300
265
420
G3/4"
150
6"
152
292
250
10"
95
403
355
1000
G3/4"
200
8"
203
330
300
12"
100
495
410
1300
G3
友情连接:
正封阀门
瑞克阀门
地址:上海闵行区莘松路958弄大浪湾道21号703 邮编:200232 电话:021-54082321 传真:021-54106143
Copyright 上海沪申阀门有限公司 all Rights Reserved.