Tel:021-54082321 Fax:021-54106143
网站首页
公司介绍
产品展示
新闻资讯
企业文化
客户留言
联系我们
进口阀门
|
闸阀
|
球阀
|
截止阀
|
调节阀
|
蝶阀
|
止回阀
|
减压阀
|
疏水阀
|
旋塞阀
|
柱塞阀
|
呼吸阀
|
平衡阀
|
针型阀
|
阻火器
|
排气阀
|
排泥阀
|
放料阀
|
底阀
|
水力控制阀门
|
隔膜阀
|
过滤器
|
管夹阀
|
安全阀
|
电磁阀
|
刀型闸阀
|
产品分类
进口阀门
闸阀
球阀
截止阀
调节阀
蝶阀
止回阀
减压阀
疏水阀
旋塞阀
柱塞阀
呼吸阀
平衡阀
针型阀
阻火器
排气阀
排泥阀
放料阀
底阀
水力控制阀门
隔膜阀
过滤器
管夹阀
安全阀
电磁阀
刀型闸阀
业务联系
人才招聘
客服电话
在线联系
首页 -
产品展厅
-
产品介绍
产品名称:
高压卡箍球阀
产品型号:
BKH、MKH
咨询电话:021-54082321 黄先生13045666422
相关产品
VH2V直通高压小型球阀
QJH高压球芯截止阀
三段式高压法兰球阀
KHP(PKH)系列板式球阀
BKH、MKH系列高压球阀
图形符号
型号说明
①产品代号:BKH、MKH系列高压球阀
②接头标准:SAE J518C标准
③压力等级:210、420 bar
④公称通径:13、20、25、32、40、50 mm
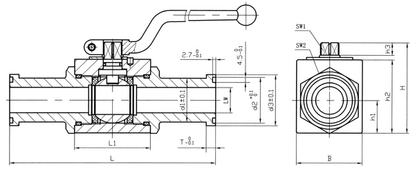
外形尺寸
尺寸表
简略型号
bar
DN
LW
L
L1
B
H
h1
h2
h3
SW1
SW2
T
d1
d2
d3
美标O形圈
BKH-SAE-FS-210-13
210
13
13
151
47
35
49
18
38
10
09
30
6.8
24
25.5
30.2
18.6×3.5
BKH-SAE-FS-420-13
420
13
13
151
47
35
49
18
38
10
09
30
7.9
24
25.5
31.8
18.6×3.5
BKH-SAE-FS-210-20
210
20
19
162
60
48
70
25
55
11
12
41
6.8
31.7
31.9
38.1
25×3.5
BKH-SAE-FS-420-20
315
20
19
174
60
48
70
25
55
11
12
41
8.9
32
31.9
41.3
25×3.5
BKH-SAE-FS-210-25
210
25
25
178
65
57
79
28.5
64
11
12
50
8.1
38
39.8
44.4
32.9×3.5
BKH-SAE-FS-420-25
315
25
22
198
65
57
79
28.5
64
11
12
50
9.6
38
39.8
47.6
32.9×3.5
BKH-SAE-FS-210-32
210
32
30
191
84
75
101
37.5
84
12
14
60
8.1
43
44.6
50.8
37.7×3.5
BKH-SAE-FS-420-32
350
32
27
223
84
75
101
37.5
84
12
14
60
10.4
44
44.6
54
37.7×3.5
BKH-SAE-FS-210-40
210
40
36
231
91
85
112
42.5
95
12
14
70
8.1
50
54.1
60.3
47.2×3.5
BKH-SAE-FS-420-40
350
40
32
281
91
85
112
42.5
95
12
14
70
12.7
51
54.1
63.5
47.2×3.5
BKH-SAE-FS-210-50
210
50
48
232
100
104
131
62
112.5
12
14
90
9.6
62
63.6
71.4
56.7×3.5
BKH-SAE-FS-420-50
350
50
45
316
100
104
131
62
112.5
12
14
90
12.7
67
63.6
79.4
56.7×3.5
友情连接:
正封阀门
瑞克阀门
地址:上海闵行区莘松路958弄大浪湾道21号703 邮编:200232 电话:021-54082321 传真:021-54106143
Copyright 上海沪申阀门有限公司 all Rights Reserved.